Post Cat O2 Sensor Voltage
Testing o2 oxygen sensor voltage signals.

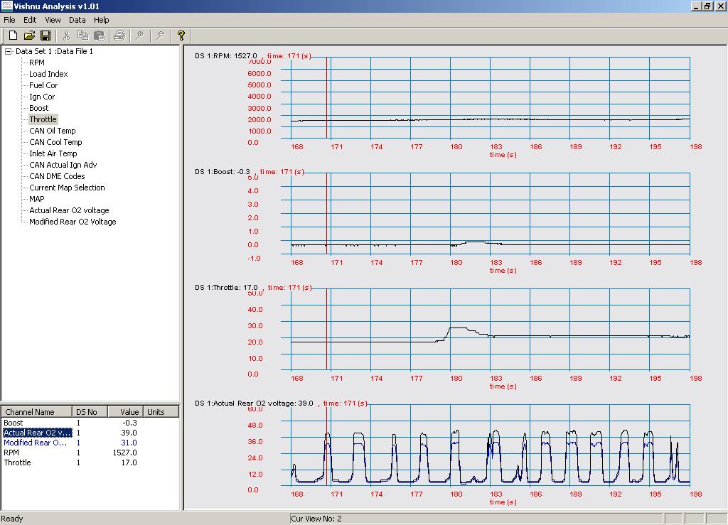
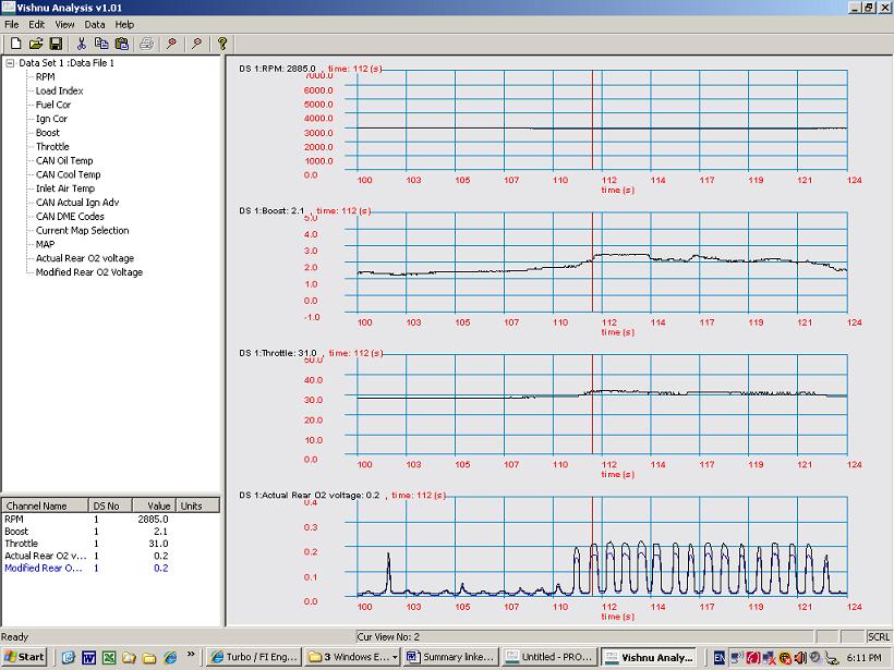
Post cat o2 sensor voltage. When i accelerate shifting gears the after cat o2 sensor is a almost a mirror of the pre cat o2. Rear o2 voltage is usually steady at or about the 500mv range thats how the dme knows your cat are working properly. On this episode of obd 4 everyone we are going to explain and show everything you need to know about the rear o2 sensor and show you how to use obd fusion li. The voltage range in most cases varies between 02 and 08 volts.
If the voltage in the rear o2 starts to move from 0 1vthen most likely your cats are dead. The fuel trims are within spec now and the b1s2 ho2s. 02 volts indicates a lean mixture and 08 v shows a richer mixture. It will try to correct with a lean command and try to lower the oxygen sensor high voltage signal.
A standard oxygen sensor measures neither oxygen nor fuel content in exhaust gasses. When i cruise the after cat of sensor is rich around 08v. The o2 sensor measures the oxygen content of the exhaust. They reacts to the oxygen content in the exhaust system and produce a small voltage depending on the airfuel mixture seen at the time.
When the fuel mixture is rich less air more fuel an o2 sensor produces a high voltage signal of 08 to 09 volts. Since the ecm sees a rich signal. It can and likely will lean or rich as the pcm chooses its fuel control strategy. Using scan data and the gas analyzer i can easily confirm the repair.
In other words if the oxygen content is low it produces a high voltage 090 volts rich mixture and if the oxygen content is high it produces a low voltage 010 volts lean mixture. Without using the gas analyzer replacing the af sensor would be a guess. The sensor voltage should cycle or fluctuate within the 100 mv 900 mv 010 to 090v range. The post catalyst sensor does not suffer this problem because most of the excess fuel and oxygen is consumed in the catalyst.
It will read an accurate mixture usually but not necessarily a voltage of 05 volts or higher. When i idle 80 the after cat o2 sensor is lean around 01v. Start the engine and check the sensor voltage signals on your voltmeter. The catalyst acts as a homogenizer of fuel mixture so the rich to lean cycling seen pre cat gets averaged out.
No the post cat sensor will remain a nearly flat line when the engine is a steady speed if the catalyst is good. 7 i replaced the af sensor. When the fuel mixture is lean more air less fuel an o2 sensor typically produces a low voltage signal less than 02 volts. Your front o2s oscilate when in closed loop in the 0 1v range.
The o2 sensors sensing ability comes about by producing a small voltage proportionate to the exhaust oxygen content. So steady voltages of 2 to 8 are normal.

























































/O2_zirconium_good_2.png)



















